DI6001 DGA4012-WPKG/美國緊湊型速度監控器
- 標稱電壓 [V]:10...36 直流
- 電流消耗 [mA]:< 15
- 反極性保護:是
- 防護等級:II
- 額定電流 [mA]:250 / 15
- 壓降 [V]:< 2.5
凱基特速度控制開關產品主要針對客戶現場的實際需求而研制,產品用電范圍廣泛,24VDC─110VAC─220VAC均能應用(不同電壓等級配置不同電壓的中間繼電器),給用戶帶來采購統一,安裝便利,互換性好的優點。產品對電機及機械傳動裝置常出現的堵轉、卡轉、超載、慢轉,皮帶打滑、傳動鏈(帶)脫落、傳動軸斷裂等電氣及工藝出現的故障均能有效及時的處理。可起到保障生產,維護設備的作用。

| 應用 | |
| 應用 | 評估旋轉和線性運動的速度低于預設值,堵塞 |
| 切換功能 | 輸出在啟動延遲期間切換,如果(F實際)大于(F預設) * |
| 電氣設計 | 直流 PNP |
| 開關量輸出 | 常開/常閉可編程 |
| 電氣數據 | |
| 標稱電壓 [V] | 10...36 直流 |
| 電流消耗 [mA] | < 15 |
| 反極性保護 | 是 |
| 防護等級 | II |
| 輸出 | |
| 晶體管 | |
| 額定電流 [mA] | 250 / 15 |
| 壓降 [V] | < 2.5 |
| 短路保護 | 脈沖 |
| 過載保護 | 是 |
| 范圍 | |
| 觸發感應距離 [毫米] | 12 |
| 校正系數 | 低碳鋼 = 1 / 不銹鋼 約 0.8 / 黃銅 約 0.5 / 鋁 約 0.4 / 銅 約 0.3 |
| 測量/設定范圍 | |
| 設定范圍 [脈沖/分鐘] | 3...6000 |
| 開關點的調整 | 示教功能 |
| 滯后 [Sp 的百分比] | 10 |
| 啟動延遲 [s] | 0...15 |
| 反應時間 | |
| 阻尼頻率(最大) [脈沖/分鐘] | 18000 |
| 環境 | |
| 環境溫度 [°C] | -20...80 |
| 保護 | IP 67 |
| 測試/批準 | |
| 電磁兼容 | EN 60947-5-2 |
| 安全分類 | |
| 平均時間TF [a] | 1031 |
| 機械數據 | |
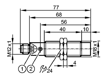
| 安裝 | 不可齊平安裝 |
| 外殼材料 | 不銹鋼 316Ti / 1.4571;聚苯乙烯 |
| 重量 [公斤] | 0.065 |
| 顯示器/操作元件 | |
| 操作指示燈 | 綠 |
| 輸入脈沖指示燈 | 綠 |
| 輸出狀態指示指示燈 | 黃 |
| 電氣連接 | |
| 連接 | M12連接器;鍍金觸點 |
![]() | |
| 備注 | |
| 備注 | *) 出廠設置 **) cULus - 需要 2 類源 ***) 開關量輸出/脈沖輸出 |
| 包裝數量 [件] | 1 |


1:3 發光二極管
2:設置按鈕
產品特點
緊湊型速度監控器 M18
DGA
開關量輸出和脈沖量輸出
觸發感應距離 12 mm [nf]
不可齊平安裝


