??????????????????????????? FS50
- ???????????????:3A
- ???????????:
- ????????????????????:CT6/DIP A20/A21?????
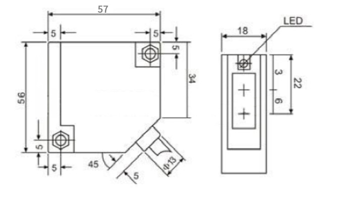
- ????:57*22*56mm
- ???????????????:IP67
- ?????????????????:???????????????????
?????????????????????????,IP67 ???????????????,???????????????????????,????????????????????????,???????????????????????,??????????????????,?????????????????????????????????????????,?????????????????????????????????????????。

????????????? | ??????????????????????????? | ||
??????????????? | 3A | ||
??????????? | |||
?????????????????????? | ????????????10M ???????????????????5M 30CM/50CM/100CM | ||
???????????????????? | CT6/DIP A20/A21????? | ||
???? | 57*22*56mm | ||
??????????????? | IP67 | ||
????????????????? | ??????????????????? | ||
| ?????????????? | ????????????LED/ ??????? | ||
?????????????????? | 2m | ||
| ????????????????? | ≤30mA | ||
| ????????????? | ≤2.5V | ||
| ???????????????? | Trimmer 1tum | ||
| ??????????? | |||
| ??????????????????? | Yes | ||
| ???????????????????????? | Yes | ||
| ?????????????????? | -25°C- 55°C | ||
| ?????????????????????? | 35 to 85% RH | ||
| ??????????????????????? | ≤10.000Lux | ||
| ??????????????? | IP66 | ||





