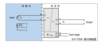
KJT-7936Barrier ??????????????
- ?????????????????????????????:20~30VDC
- ???????????????????:24VDC
- ????????????????? millivolt:±80mV
- ????????????:4~20mA
- ???????????:1~5V
Thermocouple ??????????????????????????????????、??????????????????????????????????????????? ???????,????????????????,?????????????? DC ???????????????????????????????????????????????????????? ?。??????????????????????????????????????,??USB???????????,??????????PC?????????????????????????????????????????????????????????????????????????????????????????,??????????????????????????????????????????????????。????????????,?????????????,???????????????。?????????????????????????????????? DC,??????-???????-?????????????????????????????????。

● ???????????????
?????????????????????????????:20~30VDC
???????????????????:24VDC
?????????????????(24VDC????????????????):
● ??????????????????????????????
(??????????PC????????????????????????????????????????)
??????????????:K;E;S;B;R;T;N;W;J ??
???????????????????:Pt100 、Cu50 ??
????????????????? millivolt:±80mV
:5mV
● ?????????????????????????
????????????:4~20mA; ???? ? ???????????????
???????????:1~5V;??????????????? ? ???????
???????????????:
● ????????????????????????????
????????????????????????????:±1℃ (?????????????? -20℃~+60℃)
(???????????????????????????????????????????????????????????????)
??????????????:0.01%F.S./℃
???????????:
??????????????????:??????-???????-?????????????????? 1.5KV,1min,50Hz
???????????????:??????-???????-?????????????????? ≥100MΩ / 500VDC
??????????:16×116×110(mm)
???????????????????????????:-20℃~+60℃
● ???????????????????????????????????????????????
???????????????????????????????:[Exia Ga]IIC
???????????????????????????????:
????????????????????
4~20mA ?????????????, ≤350Ω(?????????????????,?????????????????)
?????????????????? / ???????????????:??????????ABS/IP20
?????????????????????????????????????????????????????????????????: ??????????????????????
?????????。0?????、1?????、2?????;IIA、IIB、IIC ??????????
????????????: ????????????????????????????????? (?????????????)
Um = 250VAC/DC Uo = 9VDC Io =5mA
Po = 13.2W Lo = 100mH Co =1.7μF
?



