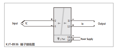
KJT-8936Barrier ??????????????
- ?????????????????????????????:20~30VDC
- ???????????????????:24VDC
- ????????????????? millivolt:±80mV ??????
- ????????????????????:5mV
- ??????????????????????????:±1℃
???????????? DC ??????????。???????????????????????,DC ????????????????????????????????????。????????????????????????????? DC,??????-???????-?????????????????????????????????。??????????35mmDIN??????????????。?????????????????????????????,???????????????????。

● ???????????????
?????????????????????????????:20~30VDC
???????????????????:24VDC
?????????????????(24VDC????????????????):
● ??? ????
????????????:0~100mV
???????????:3mV
?????????????????:>20MΩ
● ??? ???
??????????????:0~100mV
???????????????????:
?????????????:
● ??????????????????????
?????????????????:±0.1%
??????????????:0.01%F.S./℃
???????????:
??????????????????:??????-???????-?????????????????? 1.5KV,1min,50Hz
???????????????:??????-???????-?????????????????? ≥100MΩ / 500VDC
???????????????????????????:-20℃~+60℃
?????????????????????????:-40℃~+80℃
???????????????????/ ???????????????:??????????ABS/IP20
??????????:16×116×110(mm)



