KJT-8032Barrier ??????????????
- ?????????????????????????????:20~30VDC
- ???????????????????:24V DC
- ???????????????????:8V±0.5V
- ????????????:1.2~2.1mA
- ???????????:0.2mA
????????????? Isolator ????????????
????????????????????????????(????????DIN19234???????NAMUR???????????)????????????????。?????????????,????????????(????????????????、???????????)???????????? ???????????????????????????????????? ?。??????????????????????? Isolator ????????????????????????????????????????????????????????????????? Isolator ?????????????????????????????????????????????????????。???????????? Isolator ???????????????????????????????????????????????????????????,????????????????????????????????????????????,?????????????????????????????LED??????????? ????????????。(????????:???????????????????????????,??????????????????????????????????????????????????????,?????????????????????????????????????????????????,??????????????????????????? Isolator ??????????????????????????????????????????????????????????????????????????????????????????????。)????????????????????????????????????????????????????????????????????????????????????,?????????????????????????????????????????????。

● ???????????????
?????????????????????????????:20~30VDC
???????????????????:24V DC
?????????????????(24VDC??????,??????????????):
?
● ??????
???????????????? ????????DIN 19234???NAMUR???????????????????。
???????????????????:8V±0.5V
????????????:1.2~2.1mA
???????????:0.2mA (?????????)
??????????????,???????????: 4mA
?
● ???????
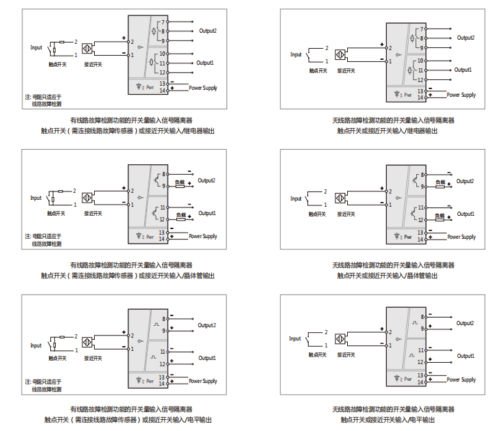
??????????????:?① ????????????;② ????????????;③???????????
(????????????????????????????????????????)
① ????????????
???????????????:24VDC,2A;
??????????:???????????????
???????????:≤10ms
② ????????????
?????????????????:≤40V
???????????????:≤40mA
?????????????????????????????????: VCC;????????:≤2.5V
???????? Emitter ?????????????????????: VCC-2.5V;????????:≤ 0.5V
③???????????
????????:4.5V ~ 5.5V
????????:≤0.5V
???????????????????????????????:≤20mA
?
● ?????? / ?????????????????????? (????????????????????)
???????????????????????????????????????????????????????????,??????????????????????,??????? ???????
?????????????????????(????????????????????????????,??????????????????;??????????????????
???????,?????????????????????????????????)。???????????????????????????????。
● ???????????????????????????
??????????????????????????????:??????????????????????????????????,???????????????????????
????????????????????????????,??????????????????????????????????(?????????????????????????????,
???????????????????????;???????????????????????????,?????????????????????????????????)。
?
● ????????????????
POWER
LED ????????????????????????????????????????(?????????????????????????????????????)
OUT?????????????????????????(??????????????????????????????????)
????????????????????????(????????????????????)
(????????: ?????????????????????????????????????????????????,???? ???LED???????????。)
● ????????????????????????????
??????????????????:??????-???????-?????????????????? 1.5KV,1min ,50Hz
???????????????:??????-???????-?????????????????? ≥100MΩ / 500VDC
???????????????????????????:-20℃~+60℃
?????????????????????????:-40℃~+80℃
???????????????????????:5~95%RH (???????????????)
?????????????????:
???????????????:IP 20
??????????:16×116×110(mm)
?????????????????????????????????????:
?????????? ????????DIN19234???NAMUR???????????????????。



