M30x1.5????????????????? Anti-Soldering Slag ??????
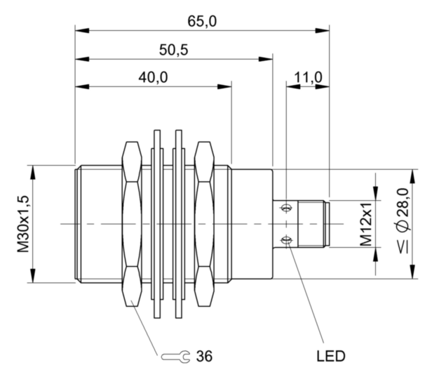
- ????:30 x 65 mm
- ?????????:M30x1.5
- ???????:?????????
- ????????????:10 mm
- ?????????????? End:PNP?????????????????
- ??????????????:100 Hz
? ? ? ??????????????????????? KAIKET Anti-Soldering Slag,??????????????????????,????????????????????,???????????????????????????,???????????????????,??????????????????????????????????????????,????????????????,????????????????????????,??????????,??????????????????????????????????? ???,??????????????????????,?????????,????????????????????????????。

| ● ????????????????????????????????,????????? | ????????? |
| ●?PTFE??????????????????????????、???????????.???????????? ??? ???? | ???????????? |
| ●????????????????????????????????????????? | PNP????????????????? |
| ●??????????????????????????? ?,??????????????????????????????260C | PNP???????????????? |
| ●????????????????:-25℃~+70℃ |

| ???? | 30 x 65 mm |
| ????????? | M30x1.5 |
| ??????? | ????????? |
| ???????????? | 10 mm |
| ?????????????? End | PNP????????????????? |
| ?????????????? | 100 Hz |
| ????????????????? | ?????????, ????????????,PTFE |
| ????????????????,????? | PTFE |
| ??????????? | ?????,M12x1??????,4???? |
| ????????????Ub | 10-36 VDC |
| ??????????????? | -25...70C |
| ?????????????????????????????? | ??????????????????????????????(AC/DC |
| ??????????????? | IP67 |
| ?????????/???????????? | CE WEEE |
| ???????????????? | |
| ?????????????? | |
| ??????????? | 0.5ms |
| ???????????????? | 2M PVC????????? |
| ??????????????? | IP67 |
| EMC | RFI>3V/M / EFT>1KV ?/ ?ESD>4KV(contact) |
| ????/????? | IEC 60947-5-2,Part7.4.1 ?/ ?IEC 60947-5-2,Part7.4.2 |





